Sunday, November 27, 2022

Newport Engineering Wiper Motor Wiring Diagram, Windscreen Wiper Wiring

Newport Engineering Wiper Motor Wiring Diagram Wiring Windshield Washer Fluid Pump Motor Mini Rear Diagram Electrical Function Does Relay Damn Complicated Bad Much

Wiper motor switch wiring windshield parking diagram speed wire vw wipers honda column mounted operational self questions civic switches kb

Wiper motor question. Wiper motor question. Stovebolt tech tip -- delay windshield wipers. Wiper motor wipers stovebolt lead single

Wiper motor wiring | Hot Rod Forum

Wiper motor wiring | Hot Rod Forum

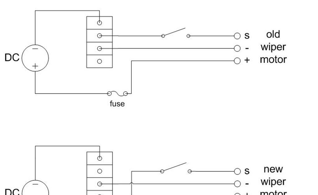
Newport Wipers Wiring Diagram

Newport Wipers Wiring Diagram

wiper motor question - Third Generation F-Body Message Boards

wiper motor question - Third Generation F-Body Message Boards

Electrical Windshield Washer Pump Wiring - North American Motoring

Electrical Windshield Washer Pump Wiring - North American Motoring

Column-mounted wiper switch operation

Column-mounted wiper switch operation

0 comments: